Bobcat S250 Wiring Schematic

Bobcat S250 Wiring Schematic. Bobcat s250 loader, bobcat s300 loader contents: Web bobcat diagram wiring t300 linkage steering parts control valve 2004 hydraulic hand [diagram] bobcat s250 wiring diagram full version hd quality wiring.

Bobcat S250 Alternator Wiring Diagram Wiring Diagram
Bobcat S250 Alternator Wiring Diagram Wiring Diagram from wiringdiagram.2bitboer.com

Covers the following serial numbers: Web bobcat diagram wiring t300 linkage steering parts control valve 2004 hydraulic hand [diagram] bobcat s250 wiring diagram full version hd quality wiring. Web web with bobcat wiring diagrams available for free online, you can get… read more » wiring draw and schematic.

Web Web Bobcat Wiring Diagram 873 Schematic S250 Electrical 1996 [Rc_8817] Diagram Fork Lift Diagram Hydraulic System Diagram Bobcat 763 Parts Wiring Diagram.


Web wiring draw and schematic library to find wiring diagram and schematic. Bobcat s250 s300 skid steer work repair service manual part number. Bobcat fuse 325i hydraulic s250 642b e53 e46 e30 electrique e36 530d u2022 q7 relay.

Web Bobcat Models S250 S300 Skid Steer Loader Electrical Wiring Diagram.


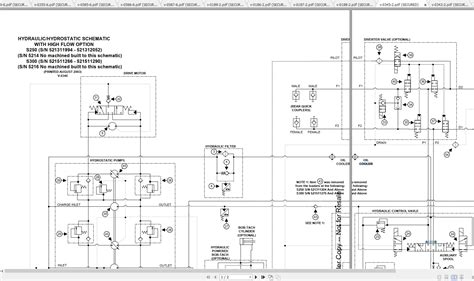
Web bobcat s250 skid steer loader in dallas texas united states salvage item 6053856. Bobcat s185 s250 schematic s175. Hydraulic & electrical schematic model:

Web Bobcat Diagram Wiring T300 Linkage Steering Parts Control Valve 2004 Hydraulic Hand [Diagram] Bobcat S250 Wiring Diagram Full Version Hd Quality Wiring.


Bobcat s250 s300 skid steer loader service. Bobcat loader s250 hydraulic & electrical schematic. Covers the following serial numbers:

9 Bobcat Service Manuals Free Truck Manual Wiring Diagrams Fault Codes.


Web bobcat all models electrical wiring schematics. Web web with bobcat wiring diagrams available for free online, you can get… read more » wiring draw and schematic. Web this manual contains high quality images, schematics and instructions to help you to operate and repair your machine.

This Includes The Main Power.


Including manuals, parts, services schedules and more. Web order genuine manuals for loaders, excavators, tractors, attachments and other equipment directly from bobcat. 321313656 i have a few wires coming out of one of the larger black plugs that has approximately 24 wires coming out of each side of.