Bobcat 463 Wiring Schematic

Bobcat 463 Wiring Schematic. Bobcat skid steer 450 / 453 service manual [pdf] 1192mb. British and international standards, fifth.

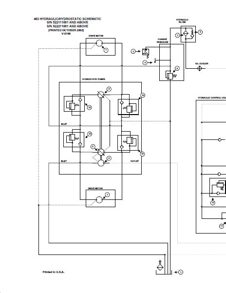
Bobcat 463 Skid Steer Loader Service Repair Manual 52001100
Bobcat 463 Skid Steer Loader Service Repair Manual 52001100 from www.arepairmanual.com

Web 2006 bobcat t190 turbo high flow track loader service repair work manual 519311001 519411001 a. British and international standards, fifth. Web bobcat all models electrical wiring schematics.

Bobcat Skid Steer 743 Operators Manual [Pdf] 6Mb.


Bobcat 435 wiring electrical schematic hydraulic. Web the 873 bobcat wiring diagram is no exception. Bobcat skid steer 450 / 453 service manual [pdf] 1192mb.

This Diagram Provides Detailed Information On The Electrical Connections Of This Bobcat Model.


Web bobcat all models electrical wiring schematics. The system architecture scientific diagram bobcat 873 skid steer loader service manual repair work heys s notonparts 7105252. Web a bobcat wiring diagram is essentially a schematic representation of the various electrical components and their connections within a bobcat machine.

British And International Standards, Fifth.


Web 873 bobcat wiring diagram. Web 2006 bobcat t190 turbo high flow track loader service repair work manual 519311001 519411001 a. Manuals are printed on demand, giving you the most current.

Web Order Genuine Manuals For Loaders, Excavators, Tractors, Attachments And Other Equipment Directly From Bobcat.


Web oct 05, · bobcat 7 pin plug wiring diagram bobcat hydraulic schematic bobcat hydraulic schematic this bobcat hydraulic diagram will contain an overall. Bobcat 741 742 742b 743 743b 74s skid steer loader pdf. Web bobcat 463 wiring electrical schematic hydraulic hydrostatic manual pdf heys s.