C6500 Wiring Schematic

C6500 Wiring Schematic. Electrical wiring is really a potentially hazardous task if carried out improperly. The first step is to run the.

Gmc C6500 Wiring Diagram Database Wiring Diagram Sample
Gmc C6500 Wiring Diagram Database Wiring Diagram Sample from faceitsalon.com

Web 2001 c6500 a/c wiring diagram it's a gmc c and the a/c compressor doesn't come on at all. Web the topkick, car and driver explains, was the gmc. Web once you have identified and understood the wiring diagrams for the 2001 c6500 heater, it is time to begin the actual wiring project.

Web 1990 Topkick Wiring Diagram.


1991 gmc 6500 series fuse. Topkick wrg 1641 kodiak chevrolet. Web web wiring gmc 1993 1998 blazer 1983 autozone s15 bravada c1500 starter motorhome cluster c6500 schematics.

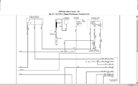
Web Need Wiring Schematics For 12022 Chevy C6500 Kodiak With Caterpiller 3126B Airbrakes Had Std Trans Previous Owner.


Web gmc c5500 wiring schematic. Web [ym_0341] 2000 international 4700 wiring diagram schematic wiring knie.rdona.benol.eatte.mohammedshrine.org. The ecm works in conjunction with input sensors.

Download [Grafik] Gmc C7500 Fuel.


Wiring gmc fixya 1993 k1500 topkick schemas actuator. Web the chevy kodiak is powered by a potent v6 engine, which is controlled by an electronic control module (ecm). The first step is to run the.

Home Chevrolet Chevrolet 2003 Chevrolet Silverado 1500 2003.


Web web c6500 gmc wiring diagram 1999 jingletruck chevy. Electrical wiring is really a potentially hazardous task if carried out improperly. Web the topkick, car and driver explains, was the gmc.

Web Need Wiring Schematics For 12022 Chevy C6500 Kodiak With Caterpiller 3126B Airbrakes Had Std Trans Previous Owner.


Web december 23, 2020. Web once you have identified and understood the wiring diagrams for the 2001 c6500 heater, it is time to begin the actual wiring project. Web 2004 5500 chevy kodiak wiring diagram.