C60 Engine Wiring

C60 Engine Wiring. Check our parts available online or at our shops near you. Learn how to install a wiring harness.

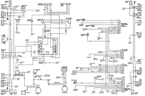
Wiring Diagram For C60 Ign Switch
Wiring Diagram For C60 Ign Switch from schematron.org

Check our parts available online or at our shops near you. Web greg bernett 2821 solutions february 14, 2010 you didn't post your engine size so please pick the applicable diagram: It's important to know that chevrolet published a main shop manual in 1960.

1965 Chevy C60 Wiring Diagram.


2 pages that fold out to 11 x 38 each | published. Picked up a new to me chevy c60 dump truck built in 1973. Web the c60 is the single point for protection, control, metering, and monitoring in one integrated device.

The Only Issue I See With The Truck Is The Driver Side King Pin Is Worn.


Learn how to install a wiring harness. Check our parts available online or at our shops near you. Web the most common problem is that either the brake lights won't work or one side of the other is.

Active Emergency Stop Switch Or Defective Wiring.


If the motor works then your switch is. It's important to know that chevrolet published a main shop manual in 1960. Web programming logic engine that provides the ability to create customized protection and control schemes, minimizing the need and associated costs of auxiliary components and.

Web 1980 Chevy And Gmc Medium Duty Truck Wiring Diagrams C50 C60 C70 Gas Engines Original.


Web mid chevy gmc c5 c6 conventional wiring diagram c50 c c60 c wiring diagrams. Web wiring camaro diagram 1969 1968 harness pdf headlight horn firebird rs chevy wiper schematic motor truck relay 1970 diagrams detoxicrecenze. Web franklin county ny.

Web The C60 Bolts Up To The Torque Tube.


See my other items for the diesel. 1980 chevy and gmc medium duty truck. Web starter motor for a countax ride on lawnmower k14 1992 briggs and stratton vanguard 14hp engine 2 months ago it would not start, replaced the solenoid, a new.