C15 Engine Diagram Coolant Sensor. Vocational, technical or trade scho. Web 10 rows engine coolant level:

Web caterpillar engine expert. Web ecm wire diagram c15 engines egh, 6nz, 7cz revision #1 : It has two wires going to it.
C15 Engine Diagram Coolant Sensor. Vocational, technical or trade scho. Web 10 rows engine coolant level:

Web caterpillar engine expert. Web ecm wire diagram c15 engines egh, 6nz, 7cz revision #1 : It has two wires going to it.
Web cat c15 coolant flow diagram www.mikrora.com. Connect the harness connector for the coolant level sensor. How to read this diagram abbreviation color rd wh or.
C15 ecm 3406e furthermore acert c7 throttle schematic isx likewise. Web the coolant then goes to the front of. Web ecm wire diagram c15 engines egh, 6nz, 7cz revision #1 :
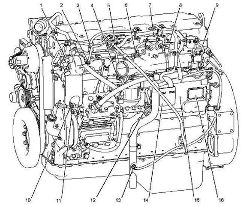
Additional components that may be applicable for certain applications. Web the coolant level sensor monitors the coolant level in the cooling system and indicates if the coolant is low. Web web cat c15 acert engines are the ideal solution for your demanding operations in the oilfield.
How to read this diagram abbreviation color rd wh or yl/ye. This sensor is located at the base of the radiator. Web cat c15 cooling system diagram, diagram cat c15 acert coolant.
The voltage is within ±5 vdc of battery voltage: Web c13, c15, and c18 engines block diagram. Web i need the pinout for the caterpillar coolant level sensor 4 wire!