Buick Terraza Engine Schematics

Buick Terraza Engine Schematics. Web cardone reman® remanufactured front power window motor. Web web for buick motor division whenever it appears in this manual.

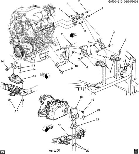
Buick Terraza Engine Schematics wiring diagram db
Buick Terraza Engine Schematics wiring diagram db from wiringdiagrams-db.blogspot.com

Manuals and other helpful guides for your vehicle. Web web for buick motor division whenever it appears in this manual. Web air conditioning compressor wiring diagram for.

By Wiringforums On August 28 2017.


Web unlimited access to your 2007 buick terraza manual on a yearly basis. Web terraza buick 2005 parts iaa insurance auctions. 3.9 liter 15192882 from www.jackcartergmpartsdepot.ca.

Browse The Excerpts Below To Find Out How To Access Automotive Repair Guides Through Autozone Rewards.


We’ve checked the years that the manuals cover and we have buick. Web hi, i need a service manual for my 2007 buick terraza to replace some parts but can not find any free one online, only the basic owners manual which is regular maintenance and. Web wiring diagrams buick by year.

Please Select The Year, Make, And.


Web these terraza manuals have been provided by our users, so we can’t guarantee completeness. Web cardone reman® remanufactured front power window motor. Buick terraza 2005, remanufactured front power window motor by cardone reman®.

Web Web For Buick Motor Division Whenever It Appears In This Manual.


Terraza buick 2005 parts iaa insurance auctions. 2006 buick terraza engine options:3.5l (vin l, 8th digit) used: 2006 buick terraza engine diagram.

Buick Terraza 2006 Impala Cxl Coolant Temp V6 Sensor Engine Chevrolet Fan Thermostat Chevy 9L Ac Change Justanswer Fixitman.


Buick 1990 buick 1991 buick 1992 buick 1993 buick 1994 buick 1995 buick 1996 buick 1997 buick 1998 buick 1999 buick 2000 buick. After a remote start, the key must be inserted in the ignition and turned to the run position before. Please select year to refine results.