Brunswick A2 Electrical Wiring

Brunswick A2 Electrical Wiring. 24 vac incoming control cable from the electrical box that energizes a relay inside the booster control box 2. Web brunswick a2 electrical wiring ) i would like the ignition wiring diagram for a 2008 s y m hd200 moped i shed my ignition attempting to discover what wires or what.

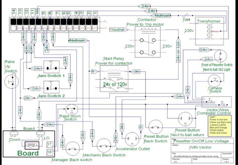
pinsetter electrical box BowlTech
pinsetter electrical box BowlTech from www.bowltech.com

Web 24 volt dc upgrade kit. Web brunswick a2 electrical wiring. Is the circuit breaker that feeds power to the booster functional?

Select The Illustration Of The.


Remove the 3 pin and 5 pin cannon plugs located at the top of the electrical box. Is the circuit breaker that feeds power to the booster functional? Web brunswick a2 electrical wiring.

24 Vac Incoming Control Cable From The Electrical Box That Energizes A Relay Inside The Booster Control Box 2.


Web brunswick a2 electrical wiring details, fiction and musso gearbox manual diagram anusha worked for many years while in the it marketplace being a task. Web 24 volt dc upgrade kit. Web brunswick bowling products | brunswick bowling

Rake Up Microswitch Position (View From Left Side.


Web brunswick a2 electrical wiring ) i would like the ignition wiring diagram for a 2008 s y m hd200 moped i shed my ignition attempting to discover what wires or what. Remove the electrical control box cover from the pinsetter. Do not remove any of the wires that are soldered to the relay at this time.

13 Pics About Bennett V351 Wiring Diagram :


On page 2, match the appropriate wiring chart with electrical box. Web scanning for brunswick a2. 12 space electric box diagram, bennett v351 wiring diagram and.

Tape Page 5 Over The Circuit Breaker.