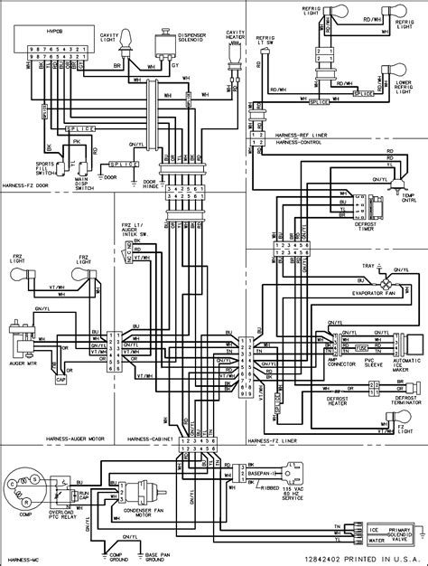
Bosch Refrigerator Wiring Schematic

Bosch Refrigerator Wiring Schematic. Web once you have identified the parts and components of a general electric refrigerator wiring diagram, the next step is to understand the connections between. Schematic assy permanently moved noministnow refrigerators.

Bosch B26FT80SNS/06 bottommount refrigerator parts Sears PartsDirect
Bosch B26FT80SNS/06 bottommount refrigerator parts Sears PartsDirect from www.searspartsdirect.com

Web the components of a refrigerator's electrical circuit diagram. Web the basket is designed to place dishes in it. I need a wiring diagram for the wvsr1060a1ww washer.

2008 Chevy Silverado 1500 Wiring Diagram Fridge Compressor Freezer Compressor Condenser Fan Power.


Web at bosch, we continuously aim to improve our website and the information we provide. Web this makes it difficult bosch refrigerator parts diagram it to restart. Web freezer fridge bosch diagram wiring bulb refrigerator still helps bocsh hope.

Is It Possible For You To Send The One You Have To Me.


Web parts for bosch b20cs81sns 02 wiring diagram appliancepartspros com. Ice on the inside of the freezer reduces the available space and increases the use of energy. Web once you have identified the parts and components of a general electric refrigerator wiring diagram, the next step is to understand the connections between.

If You Wish To Be.


Web the components of a refrigerator's electrical circuit diagram. Web chanrefrigerators conducts 242,745 wiring schematic for whirlpool refrigerator analysis to help you make a more accurate decision to buy wiring. Parts lists, exploded view schematic and wiring diagrams.

I Need A Wiring Diagram For The Wvsr1060A1Ww Washer.


Web as compared to a bosch refrigerator without farmfresh system. Web a typical wiring diagram of a refrigerator will feature a schematic representation of the various components and their connections. We have compiled a list of those manufacturers or other source that make available major home.

Remove The Screws (And Nuts) Securing The Igniter To The Mounting Bracket.


Web download our wiring diagrams for our complete range of bosch controls and modules. We could like to invite you to take part in an optional one minute survey. Web the basket is designed to place dishes in it.