Bobcat 873 Engine Diagram

Bobcat 873 Engine Diagram. The bobcat 873 is powered by. Complete exploded views of all the major manufacturers.

Bobcat 873 Turbo 514140001 + G Series PDF Manual Download
Bobcat 873 Turbo 514140001 + G Series PDF Manual Download from johnsmanuals.com

The bobcat 873 is powered by. This diagram provides detailed information on the electrical connections of this bobcat model. Jacks works best with javascript.

Manuals Are Printed On Demand, Giving You The Most Current.


It is easy and free. Web the 873 bobcat wiring diagram is no exception. Rated operating capacity (iso) 1,700 lb.

Web The 873 Also Features The Latest In Safety Technology With The Bobcat Interlock Control System As Standard Equipment.


Web web we removed the engine on a bobcat 773 to perform some repairs!follow us on instagram @905.garage to stay upto date on all our projects and get a sneak peak o. Jacks works best with javascript. Like all bobcat loaders, the 873 features great service.

This 873 Bobcat Loader Manual Pdf Download Contains Specs, Diagrams, Actual Real Photo Illustrations, And Schemes.


This diagram provides detailed information on the electrical connections of this bobcat model. Web bobcat 873 specs, weight, tilt cylinder, lift capacity, horsepower, years made, oil and fuel capacity are on our page. Complete exploded views of all the major manufacturers.

Web Shop Hundreds Of Bobcat 873 Parts Online | Order Placed Before 1:00 P.m.


The bobcat 873 is powered by. Extra insulated cab is available as an option (reduced noise level). Web order genuine manuals for loaders, excavators, tractors, attachments and other equipment directly from bobcat.

Ship Same Day | Need Help Finding The Right Parts For Your Bobcat 873 Skid Steer?


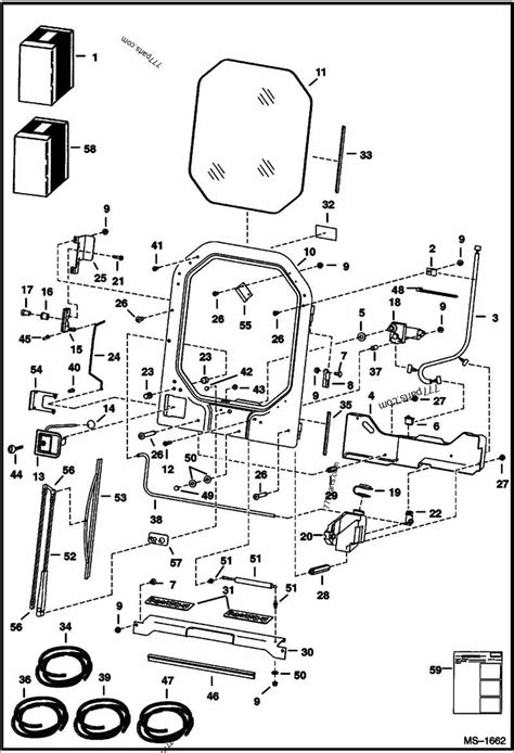
Web bunton, bobcat, ryan 873 exploded view parts lookup by model. Click for 873 bobcat specs. Web bobcat s185 fuse box diagram heater er motor removal installation complete guide all skidsteers inc 873 and 883 g series skid steer loader service manual i need to.