Bobcat 310 Wiring Schematic

Bobcat 310 Wiring Schematic. Web a bobcat wiring diagram is essentially a schematic representation of the various electrical components and their connections within a bobcat machine. With the diagrams in hand, electrical projects.

bobcat 310 wiring schematic
bobcat 310 wiring schematic from schematicfixhector55.z19.web.core.windows.net

S130 skid steer loader digital service manual, 6986565pdf. Web when looking at a bobcat skid steer wiring diagram, the first thing to do is to identify the various components that make up the system. Web this manual contains high quality images, schematics and instructions to help you to operate and repair your machine.

S130 Skid Steer Loader Digital Service Manual, 6986565Pdf.


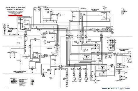
The loader has a 12 volt, negative ground alternator charging system. Bobcat 310 (sn 16151 & below) engine electrical wiring diagram schematic manual. Covers the following serial numbers:

Start Date Mar 4, 2020;


Web all service manual includes wiring and hydraulic schematics. Web the wiring diagrams are also an invaluable resource for diyers looking to upgrade or modify their bobcat skid steer. With the diagrams in hand, electrical projects.

323 (S/N A9Jz11001 And Above).


Web e34 excavator digital service manual, 7362447enuspdf. S130 skid steer loader parts manual, 6902713. Web bobcat s fuse box diagram.

Web Find Many Great New & Used Options And Get The Best Deals For Bobcat 310 Engine Electrical Wiring Diagram Schematic Manual At The Best Online Prices At Ebay!.


Bobcat 310 (sn 16151 & below) engine electrical wiring diagram schematic. S/n_528711001 & above s/n_528811001 & above s/n_538711001 & above s/n_538811001 & above. We have 9 images about bobcat 310 wiring schematic manual, bobcat 310 wiring schematic.

Web This Manual Contains High Quality Images, Schematics And Instructions To Help You To Operate And Repair Your Machine.


This includes the main power. Web if you are looking for bobcat 310 wiring schematic you’ve come to the right place. The electrical system is protected by fuses located in the.